Analýza permanentních plynů a lehkých uhlovodíků v podání ventilového plynového chromatografu Agilent 8860

- **Foto:**Pixabay/LEEROY Agency: Analýza permanentních plynů a lehkých uhlovodíků v podání ventilového plynového chromatografu Agilent 8860
- Video: Agilent Technologies: Spend More Time on What Matters with Agilent Smart GCs
Tříventilový GC systém Agilent 8860 představuje výkonný a zároveň nízkonákladový instrument pro analýzy permanentních plynů a lehkých uhlovodíků. Elektronická kontrola tlaku poslední generace GC 88xx zajišťuje laboratoři jednoduchou obsluhu a excelentní opakovatelnost analýz jak z hlediska retenčních časů analytů, tak co se týká ploch píků daných koncentrací.
Obr. 1. GC systém Agilent 8860
Lámete si hlavu s analýzou složení plynné směsi a pracujete s omezeným rozpočtem? Plynová chromatografie od výrobce Agilent pro tyto situace nabízí řešení. GC 8860 s konfigurací 3 ventilů, plamenově ionizačním detektorem (FID) a tepelně vodivostním detektorem (TCD), sestavený pro separace směsí permanentních plynů a lehkých uhlovodíků je pravděpodobně určený právě Vám.
Kanál zakončený TCD detektorem je věnován separaci nejčastěji se vyskytujících permanentních plynů H₂, CO₂, O₂, N₂, CH₄ a CO. Kapilární kolona (Al₂O₃ PLOT: 50 m × 0.53 mm) a FID detektor slouží k separaci všech lehkých uhlovodíků (C₁-C₆) včetně methanu (CH₄).
Úvod
Analýza směsí permanentních plynů a lehkých uhlovodíků je aplikována v mnoha laboratořích petrochemického, chemického a energetického průmyslu. Permanentní plyny, jako jsou O₂, N₂, CH₄, CO a CO₂, bývají hlavními cílovými analyty těchto aplikací. Koncentrace jednotlivých složek jsou pak pochopitelně středem zájmu zmíněných laboratoří. Tříventilový GC systém Agilent 8860 je jednoduchou, a přitom výkonnou platformou pro řešení všech aplikací podobného charakteru.
Experimentální část
V našem GC systému figurují tři ventily.
Šestiportový dávkovací
- Desetiportový dávkovací s možností zpětného toku ven ze systému
- Šestiportový ventil pro izolaci kolony
Ventilový diagram a zapojení kolon si můžete prohlédnout na obrázku 2. Dávkovací smyčky jsou zapojeny v sérii pro umožnění simultánního dávkování do obou kanálů najednou. Ovládání ventilů je umožněno chromatografickým SW OpenLab CDS Workstation. Separační podmínky a časování přepínání ventilů jsou uvedeny v tabulkách 1 a 2. V případě této aplikace byl použit standard směsi permanentních plynů o stálém složení. Jeho složky a jejich koncentrace jsou uvedeny v tabulce 3.
Tab. 1 Chromatografické podmínky
- Velikost dávkovací smyčky: 0,25 ml
- Průtok FID kanálem: 5 ml/min
- Teplota FID: 300 °C
- Nosný plyn FID kanálu: N₂
- Teplota CFT splittru: 200 ° C
- Splittovací poměr: 25: 1
- Průtok TCD kanálem: 30 ml/min
- Teplota TCD: 250 °C
- Nosný plyn TCD kanálu: He
- Teplota ventilového boxu: 120 °C
- Program pece: 45 °C (6 min)> 180 °C (2,25 min) při 20 °C/min
Tab. 2 Časování přepínání ventilů
- Ventil 1 ON: 0,01 min
- TCD Negativní polarita ON: 0,6 min
- TCD Negativní polarita OFF: 1.4 min
- Ventil 2 ON: 1.7 min
- Ventil 1 OFF: 2.5 min
- Ventil 2 OFF: 3.2 min
Časování ventilu 3 je stejné jako ventil 1.
Tab. 3. Koncetrace standardu směsi permanentních plynů o stálém složení
- H₂: 6.09 %
- O₂: 3.00 %
- N₂: 9.97 %
- CO: 1.99 %
- CO₂: 3.48 %
- CH₄: 71.92 %
- C₂H₆: 2.00 %
- C₃H₈: 0.99 %
- iC₄: 0.11 %
- nC₄: 0.10 %
- iC₅: 0.12 %
- nC₅: 0.12 %
- nC₆: 0.11 %
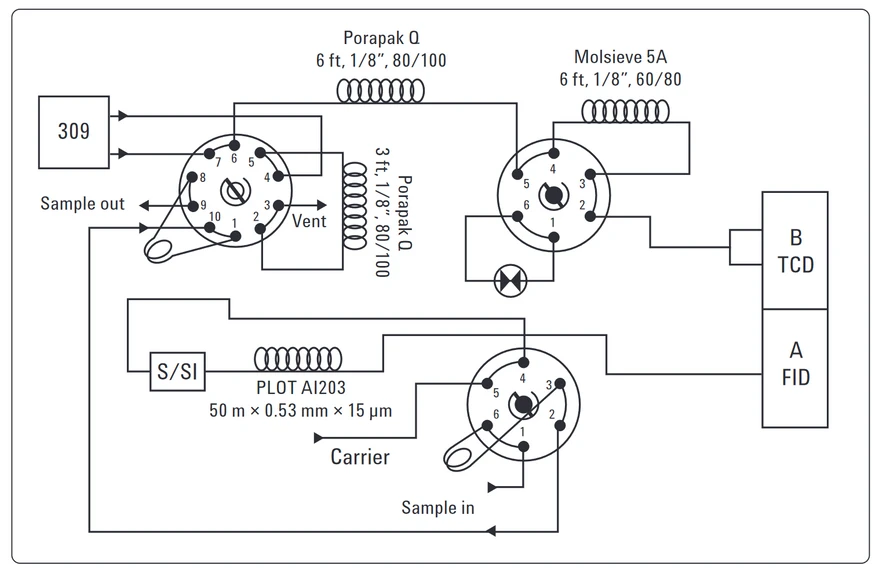
Diagram
Na obrázku 2 můžete vidět, jak plynný vzorek vstupuje do šesticestného dávkovacího ventilu a díky sériovému propojení obou dávkovacích ventilů je tak plněn do obou smyček současně. V momentě přepnutí dávkovacích ventilů dochází k simultánní separaci na obou kanálech.
Obr. 2. Ventilový diagram a zapojení GC kolon a celého chromatografického systému
Na FID kanálu prochází vzorek přes S/SL inlet, na němž lze splitovat celkový objem u koncentrovaných vzorků pro optimalizaci rozlišení metody. Následně prochází směs přes PLOT kolonu, kde je separována do FID detektoru.
Na TCD kanálu prochází směs nejprve přes Porapak Q předkolonu, kde jsou odděleny vyšší uhlovodíky, které jsou následně po přepnutí toku odstraněny ze systému. Zbylé permanentní plyny prochází přes druhou Porapak Q kolonu, kde jsou dále separovány především CO₂ a nižší uhlovodíky. Tyto složky se zde zdrží, zatímco ostatní (H₂, O₂, N₂, CH₄ a CO) prochází k separaci na třetí kolonu Molsieve 5A. Tato kolona je tak izolována před vstupem CO₂, který by se zde zachytil a nepostupoval dále. Na TCD detektor tudíž následně první prochází CO₂ a nižší uhlovodíky z Porapak Q kolony a poté ostatní permanentní plyny z Molsieve 5A kolony.
Výsledky
Chromatogramy pro oba kanály (FID, TCD) jsou znázorněny na obrázcích 3 a 4. Uhlovodíky C₁ až C₆ jsou separovány kolonou PLOT Al₂O₃ do 15 minut. U vzorků zemního plynu, které obsahují uhlovodíky vyšší než C₆, mohou být konečné teploty gradientu pece nastaveny až na 220 °C, což dostačuje pro eluci uhlovodíků až do délky řetězce C₁₁.
Obr. 3. Chromatogram pro FID kanál. Separace: CH₄, C₂H₆, C₃H₈,iC₄, nC₄, iC₅, nC₅ a C₆
Obr. 4. Chromatogram pro TCD kanál. Separace: H₂, O₂, CO₂, N₂, CH₄ a CO
Linearita
Standard plynné směsi byl za účelem kalibrace dynamicky ředěn do pěti stupňů. Výsledky pro linearitu měření u všech složek směsi jsou uvedeny v tabulce 4.
Tab. 4. Výsledky pro linearitu měření
Opakovatelnost
Při uplatnění splitování objemu vzorku během nástřiku na FID kanál byly relativní směrodatné odchylky (RSD) pro všechny uhlovodíkové složky směsi nižší než 0.8 %. Této opakovatelnosti systém dosahuje díky kompletní elektronické kontrole tlaku od injektoru po detektor. Opakovatelnost pro ostatní plyny (tab. 5) na TCD kanálu taktéž dosahuje skvělých hodnot. Koncentrace jednotlivých složek byly 0.305 % pro H2, 0.174 % pro CO2, 0.15 % pro O2, 0.5 % pro N2, 3.596 % pro CH4, a 0.1 % pro CO.
Tab. 5. Opakovatelnost pro ostatní plyny na TCD kanálu
Nízké koncentrace permanentních plynů
Pro nízké koncentrace byla testována ještě další standardní plynná směs. Záměrem bylo zhodnocení citlivosti a opakovatelnosti pro tyto nižší koncentrace. Obrázek 5 ukazuje chromatogram směsi permanentních plynů v tomto složení. Obrázek 6 pak vykresluje překryv záznamů pěti různých analýz téhož vzorku. Chromatografické podmínky a koncentrace všech složek jsou uvedeny níže (tab. 6)
Tab. 6. Chromatografické podmínky a koncentrace všech složek
- Nosný plyn: He
- Objem smyčky: 1ml
- Teplotní gradient pece: 45 °C (6 min) > 180 °C (2.25 min) při 20 °C/min
- Teplota TCD: 250 °C
- Koncetrace CO₂: 200 ppm
- Koncetrace O₂: 176 ppm
- Koncetrace N₂: Doplňující plyn
- Koncetrace CH₄: 810 ppm
Obr. 5. Chromatogram směsi permanentních plynů
Obr. 6. Překryv záznamů pěti různých analýz
Pro více informací kontaktujte produktového specialistu HPST, s.r.o. Daniel Sander ([email protected])




