Rychlá analýza skleníkových plynů pomocí plynového chromatografu Shimazdu Nexis GC-2030

- Foto: Shimadzu: Rychlá analýza skleníkových plynů pomocí plynového chromatografu Shimazdu Nexis GC-2030
- Video: Activated Research Company: Fireside Chat - Shimadzu - Greenhouse Gas Analyzers - Ian Shaffer (1)
Skleníkové plyny se nacházejí v atmosféře a vyvolávají skleníkový efekt, což je pohlcování a vyzařování infračervené energie ze země. Když sluneční světlo dopadá na povrch zeměkoule, část infračerveného záření se odráží do atmosféry. Skleníkové plyny tuto infračervenou energii pohlcují a odrážejí zpět k zemi. V tomto článku Vám popíšeme systém plynového chromatografu umožňující snadnou a rychlou kvalitativní a kvantitativní analýzu tří hlavních skleníkových plynů: metanu, oxidu uhličitého a oxidu dusného.
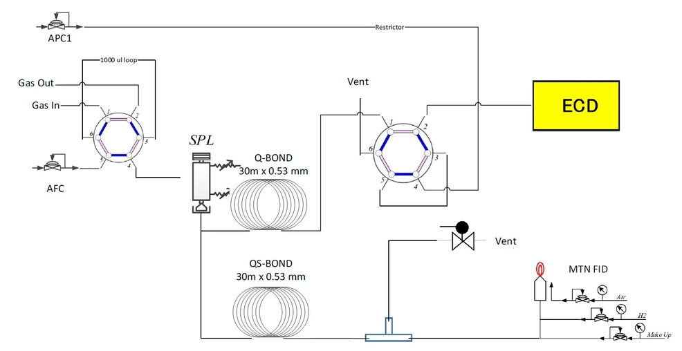
Konfigurace systému
Plynový chromatograf Shimadzu GC-2030 je vybaven dvěma kapilárními kolonami, ECD detektorem Exceed-2030, FID-2030 detektorem osazeným Jetanizérem (metanizátorem v trysce), 6ti portovým ventilem pro nástřik vzorků pomocí dávkovací smyčky a 6ti portovým přepínacím ventilem.
Kromě toho je za kolonou FID kanálu instalován elektromagnetický solenoidový ventil, který umožňuje odklánět analyty, jako je sirovodík, před vstupem do Jetanizéru-FID. Šesticestný přepínací ventil se používá k odfouknutí permanentních plynů, vody a dalších analytů z ECD.
Shimadzu: Schéma analyzátoru skleníkových plynů na bázi plynové chromatografie
Systém je navržen tak, aby vyhovoval různým typům vzorků včetně kanystrů, Tedlar vaků a plynotěsných injekčních stříkaček pro manuální nástřik nebo dávkování pomocí autosampleru. Po přidání autosampleru AOC-6000 Plus lze nastřikovat vzorky přímo z lahviček Exetainer, což umožňuje zvýšit průchodnost vzorků a usnadnit jejich odběr.
Experimentální část
Podmínky metody byly optimalizovány pro separaci oxidu uhličitého a oxidu dusného. Časování ECD kanálu bylo nastaveno tak, aby se všechny primární permanentní plyny odklonily do odpadu, poté se 6ti portový přepínací ventil otočil a umožnil eluci oxidu dusného do ECD detektoru a následně se opět ventil otočil zpátky a odklonil mimo ECD všechny zbylé těžší analyty.
Výsledkem analýzy byly plně rozlišené píky pro metan, oxid uhličitý a oxid dusný a analýza byla dokončena za méně než tři minuty.
Shimadzu: Reprezentativní chromatogramy pro standard 1 na kanálu Jetanizer-FID
Shimadzu: Reprezentativní chromatogramy pro standard 1 na kanálu ECD
Systém vykazoval opakovatelnost s relativní směrodatnou odchylkou pod 1 % pro všechny analyty. Vypočtené meze detekce metanu a oxidu uhličitého jsou u obou analytů nižší než 0,4 ppm s mezí stanovitelnosti kolem 1 ppm. Oxid dusný vykazoval vypočtenou mez detekce kolem 0,1 ppm s mezí stanovitelnosti těsně nad 0,3 ppm.
Shimadzu: Relativní směrodatná odchylka a vypočtené meze detekce a kvantifikace pro standard 1
Tento analyzátor lze rozšířit také o další analyty včetně lehkých uhlovodíků. Pro demonstraci výkonu tohoto systému pro další analyty byl nastříknut standard 2, který obsahuje lehké uhlovodíky, ve třech opakováních. Kromě toho byl pro demonstraci schopnosti "heart-cuttingu" vybrán acetylen, známé koksovací činidlo na katalyzátorech metanéru, který byl "heart-cuttingem" odkloněn.
Shimadzu: Reprezentativní chromatogramy standardu 2 s heart-cuttingem acetylenu do odpadu
Separace byla pro permanentní plyny/oxidu uhelnatý, metan, oxid uhličitý, etylen, acetylen a ethan dokončena za méně než 3,5 minuty. Kyslík, který u tradičních metanizérů obvykle způsobuje výrazné narušení základní linie, nezpůsobuje u Jetanizéru žádné výrazné výchylky základní linie. V důsledku toho je oxid uhelnatý detekován přístrojem Jetanizer-FID bez rušivých vlivů koelujících permanentních plynů.
Závěr
Ukázalo se, že analýza skleníkových plynů je na kapilárních GC opakovatelná a rychlá. Díky analýze oxidu dusného, metanu a oxidu uhličitého za méně než 2,5 minuty a vypočteným detekčním limitům pod 0,5 ppm pro všechny analyty lze dosáhnout vysoké výkonnosti a citlivosti. Konfigurace je rozšiřitelná jak pro možnosti kvantifikace dalších analytů, tak pro možnosti začlenit autosampler AOC-6000 Plus pro odběr vzorků přímo z exetainerových lahviček.
Přehled nejnovějších aplikací od Shimadzu pro analýzu skleníkových plynů v knihovně LabRulezGCMS
Rapid Greenhouse Gas Analysis via the Nexis GC-2030 Gas Chromatograph (Aplikace | 2021)
Rapid Greenhouse and Inorganic Gas Analysis via GC-2030 (Aplikace | 2022)
Nitrous Oxide (N2O) Released from Soil Analyzer Nexis GC-2030N2O1 GC-2014N2O1 (Aplikace | 2017)
Nitrous Oxide (N2O) Released from Soil Analyzer Nexis GC-2030 / GC-2014 (Aplikace | 2017)
Simultaneous Analysis of Three Greenhouse Gas Components, CH4, CO2, and N2O (Aplikace | 2023)
Analysis of Insulation Gas SF6 by the GC-BID System (Aplikace | 2017)
Analysis of SF6 Insulation Gas Using a GC-BID System (Aplikace | 2018)
The Trace Level Alcohols in Hydrocarbon Streams via GC-FID (Postery | 2021)




