GCMS
Další informace
WebinářeO násKontaktujte násPodmínky užití
LabRulez s.r.o. Všechna práva vyhrazena. Obsah dostupný pod licencí CC BY-SA 4.0 Uveďte původ-Zachovejte licenci.
Autor
SHIMADZU Handels GmbH - organizační složka
SHIMADZU Handels GmbH - organizační složka
Naším posláním je šířit informace o produktech firmy Shimadzu v oblasti instrumentálních analytických přístrojů, přístrojů pro testování materiálů a speciálních přístrojů pro life science, jejich prodej a následně - instalace, zaškolení, záruční a pozáruční servis, ověřování a validace a aplikační podpora.
Tagy
Článek
Produkt
Video
LinkedIn Logo

Vysokorychlostní analyzátor rafinérských plynů (HSRGA) - Efektivní řešení pro petrochemický průmysl

Po, 15.3.2021
| Originální článek z: Shimadzu/Luna Cantillo/Nexis GC-2030
Jak analyzovat rafinérský plyn za dobu kratší než 6,5 minuty, a to s vysokou reprodukovatelností? A jakým způsobem rozšířit možné aplikace v odvětví rafinérských analýz?
Video placeholder
  • Foto: Pixabay/SatyaPrem: Vysokorychlostní analyzátor rafinérských plynů (HSRGA) - Efektivní řešení pro petrochemický průmysl
  • Video: Shimadzu: Total Solution for Hydrocarbon Processing

Rafinérský plyn je jedním z typických produktů získaný během destilace ropy. Obsahuje hlavně vodík a lehké uhlovodíky a může se použít jako výchozí surovina v petrochemickém průmyslu, stejně tak jako palivo pro vnitřní použití v rafinérii. Pro určení aplikace rafinérského plynu uvnitř rafinerie je klíčové přesné stanovení koncentrací jeho složek.

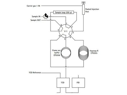
Vysokorychlostní analýza rafinérského plynu (HSRGA z ang. high-speed refinery gas analysis) je nabízena v podobě sestaveného a robustního řešení plynového chromatografu Shimadzu Nexis GC-2030, které poskytuje kvalitní výsledky v krátkém čase. V této konfiguraci přístroje je vzorek rozdělen do tří různých kanálů za použití jednoho FID a dvou TCD detektorů. Nejprve jsou analyzovány permanentní plyny pomocí kapilární PLOT kolony, která zajišťuje řádnou separaci, a poté jsou detekovány v prvním TCD. Uhlovodíky jsou také separovány pomocí kapilární kolony a detekovány FID detektorem. Tento systém nabízí flexibilitu v analýze He a H₂ v druhém TCD detektoru, kde pro lepší detekci je použit dusík jako nosný plyn.

Řešení rychlé analýzy rafinérských plynů (RGA) je postavené na plynovém chromatografu Shimadzu Nexis 2030Řešení rychlé analýzy rafinérských plynů (RGA) je postavené na plynovém chromatografu Shimadzu Nexis 2030

V této studii bylo cílem analyzovat vzorek za nejkratší možnou dobu chromatografické separace se spolehlivými výsledky. Navíc byla zkoumána použitelnost této sestavy pro jiné typické produkty v ropném průmyslu, jako byl zemní plyn.

Příprava

Byly použity dvě standardní směsi plynů k potvrzení spolehlivosti přístroje; jeden zásobník se směsí všech sloučenin přítomných v rafinérském plynu (viz Tabulka 1) a druhý s typickou standardní směsí pro zemní plyn (viz Tabulka 2). Oba standardy obsahovaly obvyklé koncentrace očekávané od skutečných vzorků. Zásobníky byly zapojeny do vstupu ventilového boxu GC s řízeným průtokem kolem 30 ml/min.

Tabulka 1 Standardní směs plynů rafinérského plynu (Sloučenina : Koncentrace (%))
  • N-hexan : 0,1 %
  • Isopentan : 1 %
  • Acetylen : 1 %
  • Argon : 1 %
  • Vodík : 12,5 %
  • Allen : 1 %
  • Isobutylen : 1 %
  • Pentan : 1 %
  • (Z)-But-2-en : 2 %
  • Etylen : 2 %
  • (E)-But-2-en : 3 %
  • Oxid uhličitý : 3 %
  • Propen : 3 %
  • Buta-1,3-dien : 3 %
  • Ethan : 4 %
  • Butan : 4 %
  • Methan : 5 %
  • Isobutan : 5 %
  • Propan : 6 %
  • Dusík : 37,2 %
Tabulka 2 Standardní směs zemního plynu (Sloučenina : Koncentrace (%))
  • N-hexan : 0,1 %
  • Isopentan : 0,15 %
  • Pentan : 0,15 %
  • Isobutan : 0,3 %
  • Butan : 0,3 %
  • Oxid uhličitý : 0,5 %
  • Propan : 0,75 %
  • Ethan : 2 %
  • Dusík : 1 %
  • Methan : 94,75 %

Výsledky

Během standardního měření rafinérského plynu jsou jasně identifikovány všechny sloučeniny na všech detektorech (viz Obrázek 2). Dokonce i FID, který detekuje mnoho sloučenin, má velmi dobré rozlišení. Celková doba analýzy je kratší než 6,5 min, jak je uvedeno pro tento systém.

Obrázek 2 - Chromatogramy získané z komplexní analýzy standardu rafinérského plynu pomocí tříkanálového plynového chromatografu.Obrázek 2 - Chromatogramy získané z komplexní analýzy standardu rafinérského plynu pomocí tříkanálového plynového chromatografu.

Hodnoty pro relativní směrodatné odchylky (% RSD) pro každou sloučeninu jsou všechny pod 1 % v případě plochy a pod 0,05 % pro retenční čas v 10 měřeních. Je proto zaručená vysoká reprodukovatelnost výsledků tohoto systému.

Stejná metoda je použita pro standardní měření zemního plynu. Opět jsou získány chromatogramy s dobrým rozlišením píků (viz Obrázek 3).

Obrázek 3 Chromatogramy získané z analýzy standardu zemního plynu (TCD-2 není zobrazen, protože ve třetím kanálu neprobíhá analýza H₂/He)Obrázek 3 Chromatogramy získané z analýzy standardu zemního plynu (TCD-2 není zobrazen, protože ve třetím kanálu neprobíhá analýza H₂/He)

Zvláště důležitý výsledek je dobré rozlišení mezi methanem (CH₄) a jeho sousedícími píky. Přesná detekce a oddělení píku methanu jsou klíčové, protože jde o hlavní sloučeninu zemního plynu. Stejně tak při analýze zemního plynu je reprodukovatelnost systému vysoká, což ukazuje % RSD pod 1 % pro plochu a pod 0,05 % pro retenční časy. Tyto výsledky ukazují flexibilitu vysokorychlostního přístroje pro analýzu rafinérského plynu, který je také schopen analyzovat různé vzorky (např. zemní plyn) bez nutnosti měnit jakoukoli konfiguraci nebo dokonce dokupovat další vybavení.

Analytické vybavení

Konfigurace přístroje
  • Model: Nexis GC-2030
  • Příslušenství: Boční ventilový box plné velikosti (pro čtyři instalace různých ventilů)
Hlavní spotřební materiál:
  • SH-Porapak N column (80/100 mesh, 1/8” x 1 m; P/N 980-18792)

  • SH-Molsieve 5A (30 m x 0.53 mm x 50 µm; P/N 221-75763-30) SH-10% OV-1 (80/100 mesh, 1/8” x 1 m; P/N 465-01823-01)

  • SH-Plot Al2O3/S (30 m x 0.53 mm x 15 µm; P/N 465-00285-05)

  • SH-Molsieve 5A (60/80 mesh, 1/8” x 3 m; P/N 465-00143-03)

  • Software: LabSolutions LCGC

Závěr

S rostoucí poptávkou po řešeních, která nabízejí rychlou a spolehlivou analýzu rafinérského plynu, je potenciál zařízení typu HSRGA na evropském trhu velmi vysoký. Tento systém je schopen analyzovat všechny typické sloučeniny v rafinérském plynu do asi 6,5 min. Zaručeně tímto řešením ušetříte čas a dosáhnete přesných a reprodukovatelných výsledků.

Kromě toho se také prokázalo, že tento systém lze použít pro analýzu dalších typických produktů v ropném průmyslu jako je zemní plyn, což poskytuje flexibilitu a rozšiřuje pole působnosti pro stejný nástroj.

V neposlední řadě umožňuje dostupnost takového systému v sestavené podobě několik výhod; menší časovou náročnost a jednoduchost instalace a okamžitý provoz.

Kompletní aplikaci společně s dalšími naleznete ke stažení v knihovně LabRulezGCMS: Use of High-Speed Refinery Gas Analyzer (HSRGA) as efficient application on hydrocarbon processing industries (HPI)
SHIMADZU Handels GmbH - organizační složka
LinkedIn Logo
 

Mohlo by Vás zajímat

Alcohol Determination of Sanitizer Gel Using Nexis GC-2060

Aplikace
| 2026 | Shimadzu
Instrumentace
GC
Výrobce
Shimadzu
Zaměření
Farmaceutická analýza

Sensitive and Reproducible Determination of Nitrosamines by GC/MSD

Aplikace
| 2026 | Agilent Technologies
Instrumentace
GC/MSD, GC/SQ
Výrobce
Agilent Technologies
Zaměření
Životní prostředí

High-Throughput BTEX Analysis in Nail Products by SPME and GC/TQ

Aplikace
| 2026 | Agilent Technologies
Instrumentace
GC/MSD, GC/MS/MS, GC/QQQ, SPME
Výrobce
Agilent Technologies
Zaměření
Materiálová analýza

Accurate multi-component blast furnace gas analysis maximizes iron production and minimizes coke consumption

Aplikace
| 2026 | Thermo Fisher Scientific
Instrumentace
GC/MSD
Výrobce
Thermo Fisher Scientific
Zaměření
Průmysl a chemie

Gas Chromatograph Nexis GC-2060

Brožury a specifikace
| 2026 | Shimadzu
Instrumentace
GC
Výrobce
Shimadzu
Zaměření
Ostatní
 

Podobné články

Analýza permanentních plynů a lehkých uhlovodíků v podání ventilového plynového chromatografu Agilent 8860
Článek | Aplikace

Analýza permanentních plynů a lehkých uhlovodíků v podání ventilového plynového chromatografu Agilent 8860

Níže popsaný GC systém lze brát jako referenční konfiguraci pro analýzy zemního plynu, ropného plynu, směsí syntetického a čištěného plynu nebo směsí plynů z vysokých pecí či komínů.
Altium International
tag
share
more
Kvantitativní analýza CO₂ a CH₄ v atmosféře pomocí Jetanizéru
Článek | Aplikace

Kvantitativní analýza CO₂ a CH₄ v atmosféře pomocí Jetanizéru

Jednoduchá analýza a kvantifikace CO₂ a CH₄ v atmosféře s využitím spojení Jetanizéru s plynovým chromatografem Shimadzu Nexis GC-2030 s FID detektorem.
SHIMADZU Handels GmbH - organizační složka
tag
share
more
Analyzátor zemního plynu A - Stručná referenční příručka
Článek | Produkt

Analyzátor zemního plynu A - Stručná referenční příručka

Základní NGA (systém A) je nejjednodušší ze všech analyzátorů NGA. Systém využívá kolonu s jedním ventilem, která je navržena pro jednoduchost, TCD a FID.
ChromSolutions
tag
share
more
Analyzátor zemního plynu B - Stručná referenční příručka
Článek | Produkt

Analyzátor zemního plynu B - Stručná referenční příručka

NGA (systém B) je standardní systém na klíč určený k analýze zemního plynu a uhlovodíkových matric pro de-methanizaci.
Chromservis
tag
share
more
 

Mohlo by Vás zajímat

Alcohol Determination of Sanitizer Gel Using Nexis GC-2060

Aplikace
| 2026 | Shimadzu
Instrumentace
GC
Výrobce
Shimadzu
Zaměření
Farmaceutická analýza

Sensitive and Reproducible Determination of Nitrosamines by GC/MSD

Aplikace
| 2026 | Agilent Technologies
Instrumentace
GC/MSD, GC/SQ
Výrobce
Agilent Technologies
Zaměření
Životní prostředí

High-Throughput BTEX Analysis in Nail Products by SPME and GC/TQ

Aplikace
| 2026 | Agilent Technologies
Instrumentace
GC/MSD, GC/MS/MS, GC/QQQ, SPME
Výrobce
Agilent Technologies
Zaměření
Materiálová analýza

Accurate multi-component blast furnace gas analysis maximizes iron production and minimizes coke consumption

Aplikace
| 2026 | Thermo Fisher Scientific
Instrumentace
GC/MSD
Výrobce
Thermo Fisher Scientific
Zaměření
Průmysl a chemie

Gas Chromatograph Nexis GC-2060

Brožury a specifikace
| 2026 | Shimadzu
Instrumentace
GC
Výrobce
Shimadzu
Zaměření
Ostatní
 

Podobné články

Analýza permanentních plynů a lehkých uhlovodíků v podání ventilového plynového chromatografu Agilent 8860
Článek | Aplikace

Analýza permanentních plynů a lehkých uhlovodíků v podání ventilového plynového chromatografu Agilent 8860

Níže popsaný GC systém lze brát jako referenční konfiguraci pro analýzy zemního plynu, ropného plynu, směsí syntetického a čištěného plynu nebo směsí plynů z vysokých pecí či komínů.
Altium International
tag
share
more
Kvantitativní analýza CO₂ a CH₄ v atmosféře pomocí Jetanizéru
Článek | Aplikace

Kvantitativní analýza CO₂ a CH₄ v atmosféře pomocí Jetanizéru

Jednoduchá analýza a kvantifikace CO₂ a CH₄ v atmosféře s využitím spojení Jetanizéru s plynovým chromatografem Shimadzu Nexis GC-2030 s FID detektorem.
SHIMADZU Handels GmbH - organizační složka
tag
share
more
Analyzátor zemního plynu A - Stručná referenční příručka
Článek | Produkt

Analyzátor zemního plynu A - Stručná referenční příručka

Základní NGA (systém A) je nejjednodušší ze všech analyzátorů NGA. Systém využívá kolonu s jedním ventilem, která je navržena pro jednoduchost, TCD a FID.
ChromSolutions
tag
share
more
Analyzátor zemního plynu B - Stručná referenční příručka
Článek | Produkt

Analyzátor zemního plynu B - Stručná referenční příručka

NGA (systém B) je standardní systém na klíč určený k analýze zemního plynu a uhlovodíkových matric pro de-methanizaci.
Chromservis
tag
share
more
 

Mohlo by Vás zajímat

Alcohol Determination of Sanitizer Gel Using Nexis GC-2060

Aplikace
| 2026 | Shimadzu
Instrumentace
GC
Výrobce
Shimadzu
Zaměření
Farmaceutická analýza

Sensitive and Reproducible Determination of Nitrosamines by GC/MSD

Aplikace
| 2026 | Agilent Technologies
Instrumentace
GC/MSD, GC/SQ
Výrobce
Agilent Technologies
Zaměření
Životní prostředí

High-Throughput BTEX Analysis in Nail Products by SPME and GC/TQ

Aplikace
| 2026 | Agilent Technologies
Instrumentace
GC/MSD, GC/MS/MS, GC/QQQ, SPME
Výrobce
Agilent Technologies
Zaměření
Materiálová analýza

Accurate multi-component blast furnace gas analysis maximizes iron production and minimizes coke consumption

Aplikace
| 2026 | Thermo Fisher Scientific
Instrumentace
GC/MSD
Výrobce
Thermo Fisher Scientific
Zaměření
Průmysl a chemie

Gas Chromatograph Nexis GC-2060

Brožury a specifikace
| 2026 | Shimadzu
Instrumentace
GC
Výrobce
Shimadzu
Zaměření
Ostatní
 

Podobné články

Analýza permanentních plynů a lehkých uhlovodíků v podání ventilového plynového chromatografu Agilent 8860
Článek | Aplikace

Analýza permanentních plynů a lehkých uhlovodíků v podání ventilového plynového chromatografu Agilent 8860

Níže popsaný GC systém lze brát jako referenční konfiguraci pro analýzy zemního plynu, ropného plynu, směsí syntetického a čištěného plynu nebo směsí plynů z vysokých pecí či komínů.
Altium International
tag
share
more
Kvantitativní analýza CO₂ a CH₄ v atmosféře pomocí Jetanizéru
Článek | Aplikace

Kvantitativní analýza CO₂ a CH₄ v atmosféře pomocí Jetanizéru

Jednoduchá analýza a kvantifikace CO₂ a CH₄ v atmosféře s využitím spojení Jetanizéru s plynovým chromatografem Shimadzu Nexis GC-2030 s FID detektorem.
SHIMADZU Handels GmbH - organizační složka
tag
share
more
Analyzátor zemního plynu A - Stručná referenční příručka
Článek | Produkt

Analyzátor zemního plynu A - Stručná referenční příručka

Základní NGA (systém A) je nejjednodušší ze všech analyzátorů NGA. Systém využívá kolonu s jedním ventilem, která je navržena pro jednoduchost, TCD a FID.
ChromSolutions
tag
share
more
Analyzátor zemního plynu B - Stručná referenční příručka
Článek | Produkt

Analyzátor zemního plynu B - Stručná referenční příručka

NGA (systém B) je standardní systém na klíč určený k analýze zemního plynu a uhlovodíkových matric pro de-methanizaci.
Chromservis
tag
share
more
 

Mohlo by Vás zajímat

Alcohol Determination of Sanitizer Gel Using Nexis GC-2060

Aplikace
| 2026 | Shimadzu
Instrumentace
GC
Výrobce
Shimadzu
Zaměření
Farmaceutická analýza

Sensitive and Reproducible Determination of Nitrosamines by GC/MSD

Aplikace
| 2026 | Agilent Technologies
Instrumentace
GC/MSD, GC/SQ
Výrobce
Agilent Technologies
Zaměření
Životní prostředí

High-Throughput BTEX Analysis in Nail Products by SPME and GC/TQ

Aplikace
| 2026 | Agilent Technologies
Instrumentace
GC/MSD, GC/MS/MS, GC/QQQ, SPME
Výrobce
Agilent Technologies
Zaměření
Materiálová analýza

Accurate multi-component blast furnace gas analysis maximizes iron production and minimizes coke consumption

Aplikace
| 2026 | Thermo Fisher Scientific
Instrumentace
GC/MSD
Výrobce
Thermo Fisher Scientific
Zaměření
Průmysl a chemie

Gas Chromatograph Nexis GC-2060

Brožury a specifikace
| 2026 | Shimadzu
Instrumentace
GC
Výrobce
Shimadzu
Zaměření
Ostatní
 

Podobné články

Analýza permanentních plynů a lehkých uhlovodíků v podání ventilového plynového chromatografu Agilent 8860
Článek | Aplikace

Analýza permanentních plynů a lehkých uhlovodíků v podání ventilového plynového chromatografu Agilent 8860

Níže popsaný GC systém lze brát jako referenční konfiguraci pro analýzy zemního plynu, ropného plynu, směsí syntetického a čištěného plynu nebo směsí plynů z vysokých pecí či komínů.
Altium International
tag
share
more
Kvantitativní analýza CO₂ a CH₄ v atmosféře pomocí Jetanizéru
Článek | Aplikace

Kvantitativní analýza CO₂ a CH₄ v atmosféře pomocí Jetanizéru

Jednoduchá analýza a kvantifikace CO₂ a CH₄ v atmosféře s využitím spojení Jetanizéru s plynovým chromatografem Shimadzu Nexis GC-2030 s FID detektorem.
SHIMADZU Handels GmbH - organizační složka
tag
share
more
Analyzátor zemního plynu A - Stručná referenční příručka
Článek | Produkt

Analyzátor zemního plynu A - Stručná referenční příručka

Základní NGA (systém A) je nejjednodušší ze všech analyzátorů NGA. Systém využívá kolonu s jedním ventilem, která je navržena pro jednoduchost, TCD a FID.
ChromSolutions
tag
share
more
Analyzátor zemního plynu B - Stručná referenční příručka
Článek | Produkt

Analyzátor zemního plynu B - Stručná referenční příručka

NGA (systém B) je standardní systém na klíč určený k analýze zemního plynu a uhlovodíkových matric pro de-methanizaci.
Chromservis
tag
share
more
Další projekty
LCMS
ICPMS
Sledujte nás
FacebookX (Twitter)LinkedInYouTube
Další informace
WebinářeO násKontaktujte násPodmínky užití
LabRulez s.r.o. Všechna práva vyhrazena. Obsah dostupný pod licencí CC BY-SA 4.0 Uveďte původ-Zachovejte licenci.