Vysoce citlivá analýza kyseliny mravenčí v roztoku methanolu pomocí Jetanizéru

- Foto: Shimadzu: Vysoce citlivá analýza kyseliny mravenčí v roztoku methanolu pomocí Jetanizéru
- Video: Activated Research Company: Jetanizer | Breakthrough Methanizer Technology
Cílem iniciativ zelené transformace (GX) je přechod od fosilních paliv k zelené energii a vyvážení snižování emisí skleníkových plynů s hospodářským růstem. Očekává se, že tyto iniciativy budou využívat inovativní technologie, jako je umělá fotosyntéza, která využívá sluneční světlo k výrobě vodíku a organických sloučenin z vody a oxidu uhličitého. Výzkum takové umělé fotosyntézy spolu s analýzou nečistot v chemických produktech a surovinách zvýrazňuje poptávku po vysoce citlivé analýze kyseliny mravenčí.
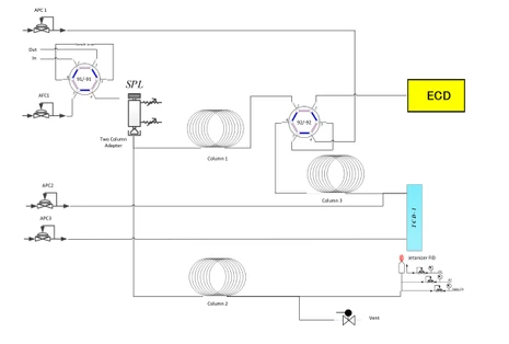
Jednoduchou metodou analýzy kyseliny mravenčí je plynová chromatografie (GC), kde se pro vzorky s vysokou koncentrací používá TCD detektor a pro vzorky s nízkou koncentrací BID detektor. Bohužel FID detektor, který je detektorem pro všeobecné použití, není dostatečně citlivý na kyselinu mravenčí. Nahrazením FID detektoru Jetanizerem (methanizátorem typu In-Jet), který obsahuje katalyzátor v trysce FID, a úpravou podmínek analýzy je však možné provádět vysoce citlivé měření kyseliny mravenčí na úrovni ppm. Tato aplikační zpráva uvádí příklad vysoce citlivé analýzy kyseliny mravenčí obsažené v rozpouštědle methanolu s použitím Jetanizeru jako trysky GC-FID.
Vlastnosti Jetanizéru
Jetanizér je kompaktní methanizér typu FID-Jet, který obsahuje katalyzátor naplněný uvnitř (obr. 1). Díky tomu umožňuje detekci CO a CO2, které nelze detekovat standardním FID, jejich redukcí a přeměnou na methan. Kromě toho již nejsou zapotřebí topná tělesa, snímače a další přívodní vedení vodíku, které byly dříve u methanizátorů vyžadovány, což umožňuje přímou instalaci a použití stejně jako u standardního FID.
Shimadzu: Obr.1 Jetanizer
Měření kyseliny mravenčí v methanolu
Chromatogramy kyseliny mravenčí v různých koncentracích v methanolu (1, 5, 10, 50, 100, 500 a 1000 ppm) a zvětšený výřez na rozsah nízkých koncentrací jsou uvedeny na obr. 4. Kalibrační křivka pro N = 5 je uvedena na obr. 5. Kromě toho jsou na obr. 6 uvedeny překryvné chromatogramy pro kontinuální měření při 10 ppm a v tabulce 2 je uvedeno RSD % hodnot ploch pro N = 5 při každé koncentraci. Byla potvrzena dobrá reprodukovatelnost plochy při každé koncentraci.
Shimadzu: Obr. 4 Nahoře - Chromatogramy kyseliny mravenčí při různých koncentracích. Dole - Zvětšený výřez 1 až 10 ppm.
Uživatelské výhody:
- Použití Jetanizeru jako trysky GC-FID umožňuje přesnou analýzu kyseliny mravenčí v roztoku methanolu.
- Jetanizér jednoduše nahrazuje běžnou GC-FID trysku, takže jeho instalace je snadná a levná.
Závěr
Vysoce citlivá analýza kyseliny mravenčí je nezbytná pro analýzu nečistot chemických výrobků a surovin, včetně GX. Při analýze kyseliny mravenčí pomocí GC je nutné zvolit vhodný detektor podle rozsahu měřených koncentrací. Zde představená metoda umožňuje pohodlnou analýzu kyseliny mravenčí díky úpravě insertu a kolony kyselinou fosforečnou a využitím Jetanizéru.




