GCMS
Další informace
WebinářeO násKontaktujte násPodmínky užití
LabRulez s.r.o. Všechna práva vyhrazena. Obsah dostupný pod licencí CC BY-SA 4.0 Uveďte původ-Zachovejte licenci.
Autor
SHIMADZU Handels GmbH - organizační složka
SHIMADZU Handels GmbH - organizační složka
Naším posláním je šířit informace o produktech firmy Shimadzu v oblasti instrumentálních analytických přístrojů, přístrojů pro testování materiálů a speciálních přístrojů pro life science, jejich prodej a následně - instalace, zaškolení, záruční a pozáruční servis, ověřování a validace a aplikační podpora.
Tagy
Článek
Aplikace
Video
Životní prostředí
LinkedIn Logo

Rychlá analýza skleníkových a anorganických plynů pomocí Shimadzu GC-2030

Čt, 19.10.2023
| Originální článek z: Shimadzu
Konfigurace 3-kanálového GC Shimadzu s Jetanizer-FID, TCD, ECD pro vysoce citlivou, opakovatelnou, lineární, robustní a rychlou analýzu skleníkových a anorganických plynů.
Video placeholder
  • Foto: Shimadzu: Rychlá analýza skleníkových a anorganických plynů pomocí Shimadzu GC-2030
  • Video: Activated Research Company: Fireside Chat - Shimadzu - Greenhouse Gas Analyzers - Ian Shaffer (1)

Vytvořili jsme novou metodu pro rychlou analýzu skleníkových plynů, které zachycují IR energii v atmosféře a způsobují skleníkový efekt. Přesné a spolehlivé monitorování emisí a změn hlavních skleníkových plynů v atmosféře je zásadním krokem v celkovém pochopení a kontrole klimatických faktorů.

Níže popsaný systém plynového chromatografu umožňuje kvalitativní a kvantitativní analýzu:

  • třech hlavních skleníkových plynů - metan, oxid uhličitý a oxid dusný
  • lehkých uhlovodíků - etan a etylen
  • anorganických plynů - vodík, kyslík a dusík

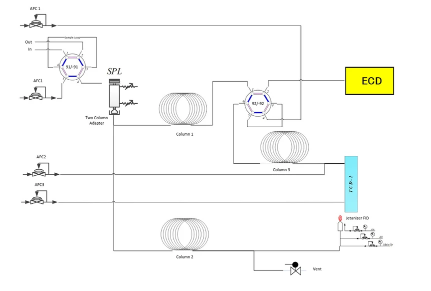
Přístrojové vybavení

Přístroj Shimadzu GC-2030 je vybaven:

  • Třemi kapilárními kolonami
  • ECD detektorem
  • FIDdetektorem s Jetanizérem (metanizérem ve formě FID trysky)
  • TCD detektorem
  • 6ti-portovým ventilem se vzorkovací smyčkou
  • 6ti-portovým přepínacím ventilem

Kromě toho je na FID kanál instalován solenoidový další ventil, který umožňuje "heart cut" analytů, jako je sirovodík nebo acetylen, před elucí do Jetanizeru-FID. Šesticestný přepínací ventil se používá pro kvantifikaci k odklonění anorganickéch plynů do TCD detektoru. Schématický diagram přístroje je uveden na obrázku níže.

Shimadzu: Schéma analyzátoru skleníkových a anorganických plynůShimadzu: Schéma analyzátoru skleníkových a anorganických plynů

Systém je navržen tak, aby vyhovoval různým typům vzorků, včetně kanystrů, Tedlar vaků a nebo nástřiků plynotěsnou injekční stříkačkou prostřednictvím ručního nástřiku nebo z autosampleru. Po přidání autosampleru AOC-6000 Plus lze odebírat vzorky přímo z Exetainer vialek, což umožňuje zvýšit produktivitu a usnadnit odběr vzorků.

Experimentální část

Pro demonstraci výkonnosti systému konfigurovaného na klíč pro tuto aplikaci byly analyzovány čtyři standardy. Kalibrační křivky, meze detekce a meze kvantifikace byly vypočteny na základě těchto čtyř standardů.

Podmínky metody

Podmínky metody byly optimalizovány pro separaci kompozitního píku oxidu uhličitého a oxidu dusného. Kanál ECD byl načasován tak, aby se nejdříve anorganické plyny odklonily a separovaly na kanále TCD a šesticestný přepínací ventil se opět přepl a pokračovala eluce oxidu dusného do ECD detektoru.

Selekční ventil na Jetanizer/FID kanále byl načasován tak, aby odklonil acetylenu do odpadu, nicméně lze pomocí Jetanizeru/FID acetylen v případě potřeby kvantifikovat. Opakovatelnost přístroje, jakož i vypočtené limity detekce a kvantifikace byly stanoveny na základě třech nástřiků standardu 1 a standardu 3. Reprezentativní chromatogramy standardu 1 a standardu 4 s různými detektory jsou zobrazeny na chromatografech níže.

Shimadzu: Chromatogram Standardu 1 na kanále Jetanizer-FIDShimadzu: Chromatogram Standardu 1 na kanále Jetanizer-FID

Shimadzu: Chromatogram Standardu 4 na kanále Jetanizer-FIDShimadzu: Chromatogram Standardu 4 na kanále Jetanizer-FID

Shimadzu: Chromatogram Standardu 1 na kanále TCDShimadzu: Chromatogram Standardu 1 na kanále TCD

Shimadzu: Chromatogram Standardu 4 na kanále TCDShimadzu: Chromatogram Standardu 4 na kanále TCD

Shimadzu: Chromatogram Standardu 1 na kanále ECDShimadzu: Chromatogram Standardu 1 na kanále ECD

Výsledky

S plně rozlišenými píky pro oxid uhelnatý, metan, oxid uhličitý a etan, ethylen, vodík, kyslík, dusík a oxid dusný a fluorid sírový bylo dosaženo s optimalizovanými podmínkami doby analýzy kratší než 8 minut.

Kalibrační křivky analytů byly vytvořeny s použitím čtyř standardů. Lineární regresní křivky byly vytvořeny pro všechny analyty na FID s hodnotou R2 0,99999 nebo lepší a s hodnotou 0,99 nebo lepší pro všechny analyty na TCD. Pouze u analytů s jednobodovou nebo dvoubodovou kalibrační křivkou nebylo možné vytvořit smysluplnou hodnotu R2 a nejsou proto uvedeny.

Systém vykazoval opakovatelnost pod 1,5 % relativní směrodatné odchylky pro všechny analyty s výjimkou analytu metanu na chvostu většího píku oxidu uhelnatého.

Vypočtené meze stanovitelnosti jsou pod 0,4 ppm pro všechny složky na Jetanizer- FID. Na ECD je vypočtená mez stanovitelnosti pro oxid dusný 10 ppb. Mez stanovitelnosti pro fluorid sírový a mez detekce pro oxid dusný a hexafluorid síry nebyly vypočteny z důvodu vysokých koncentrací těchto analytů ve standardech. Vypočtené meze stanovitelnosti na TCD byly 8 ppm pro vodík a 80 ppm pro kyslík, a 110 ppm pro dusík. Vypočtené LOQ a LOD spolu s retenčním časem, průměrnou plochou píku s %RSD a S/N jsou uvedeny v tabulkách v kompletní aplikaci.

Závěr

Kapilární systém pro skleníkové plyny poskytl vysoce opakovatelnou a rychlou analýzu. Díky metodě do 8 minut pro oxid uhelnatý, metan, oxid uhličitý, etylen, etan, oxid dusný, hexafluorid síry, vodík, kyslík a dusík lze dosáhnout vysoké produktivity s vynikající citlivostí a linearitou. Konfiguraci je možné rozšířit jak o možnost kvantifikace dalších analytů, tak o možnost začlenění autosampleru AOC-6000 Plus pro vzorkování přímo z vialek Exetainer.

Tento GC systém s jednoduchou metodou využívající nezávislé kolony pro každou analytickou linii a možnost "heart cuttingu" představuje vysoce citlivý, opakovatelný, lineární a robustní systém pro zajištění rychlé analýzy skleníkových a anorganických plynů.

Přehled nejnovějších aplikací od Shimadzu pro analýzu skleníkových plynů v knihovně LabRulezGCMS

  • Rapid Greenhouse Gas Analysis via the Nexis GC-2030 Gas Chromatograph (Aplikace | 2021)

  • Rapid Greenhouse Gas Analysis via the NexisTM GC-2030 Gas Chromatograph (Aplikace | 2021)

  • Rapid Greenhouse and Inorganic Gas Analysis via GC-2030 (Aplikace | 2022)

  • Simultaneous Analysis of Three Greenhouse Gas Components, CH4, CO2, and N2O (Aplikace | 2023)

  • Analysis of SF6 Insulation Gas Using a GC-BID System (Aplikace | 2018)

  • The Trace Level Alcohols in Hydrocarbon Streams via GC-FID (Postery | 2021)

  • High Resolution Analysis of Gases Related to Air Pollution and Global Warming (Aplikace | 2022)

  • Evaluation of the Deliciousness of Artifcial Meat (Příručky | 2021)

  • Solutions for Environmental Analysis - Application Notebook (Aplikace, Příručky | 2018)

SHIMADZU Handels GmbH - organizační složka
LinkedIn Logo
 

Mohlo by Vás zajímat

Alcohol Determination of Sanitizer Gel Using Nexis GC-2060

Aplikace
| 2026 | Shimadzu
Instrumentace
GC
Výrobce
Shimadzu
Zaměření
Farmaceutická analýza

Sensitive and Reproducible Determination of Nitrosamines by GC/MSD

Aplikace
| 2026 | Agilent Technologies
Instrumentace
GC/MSD, GC/SQ
Výrobce
Agilent Technologies
Zaměření
Životní prostředí

High-Throughput BTEX Analysis in Nail Products by SPME and GC/TQ

Aplikace
| 2026 | Agilent Technologies
Instrumentace
GC/MSD, GC/MS/MS, GC/QQQ, SPME
Výrobce
Agilent Technologies
Zaměření
Materiálová analýza

Accurate multi-component blast furnace gas analysis maximizes iron production and minimizes coke consumption

Aplikace
| 2026 | Thermo Fisher Scientific
Instrumentace
GC/MSD
Výrobce
Thermo Fisher Scientific
Zaměření
Průmysl a chemie

Gas Chromatograph Nexis GC-2060

Brožury a specifikace
| 2026 | Shimadzu
Instrumentace
GC
Výrobce
Shimadzu
Zaměření
Ostatní
 

Podobné články

Simultánní analýza skleníkových plynů pomocí GC Agilent
Článek | Aplikace

Simultánní analýza skleníkových plynů pomocí GC Agilent

Aplikace popisuje ventilovou konfiguraci GC systémů Agilent 8890 pro kvantifikaci skleníkových plynů jako Oxid uhličitý (CO₂), metan (CH₄) a oxid dusný (N₂O) v atmosféře.
Altium International
tag
share
more
Rychlá analýza skleníkových plynů pomocí plynového chromatografu Shimazdu Nexis GC-2030
Článek | Aplikace

Rychlá analýza skleníkových plynů pomocí plynového chromatografu Shimazdu Nexis GC-2030

Plynový chromatograf Shimadzu GC-2030 je vybaven dvěma kapilárními kolonami, ECD a FID detektorem osazeným Jetanizérem, dvěma 6ti portovými a jedním solenoidový ventilem.
SHIMADZU Handels GmbH - organizační složka
tag
share
more
Kvantitativní analýza CO₂ a CH₄ v atmosféře pomocí Jetanizéru
Článek | Aplikace

Kvantitativní analýza CO₂ a CH₄ v atmosféře pomocí Jetanizéru

Jednoduchá analýza a kvantifikace CO₂ a CH₄ v atmosféře s využitím spojení Jetanizéru s plynovým chromatografem Shimadzu Nexis GC-2030 s FID detektorem.
SHIMADZU Handels GmbH - organizační složka
tag
share
more
GC analyzátor skleníkových plynů
Článek | Aplikace

GC analyzátor skleníkových plynů

Tato aplikace popisuje použití GC analyzátoru skleníkových plynů k simultánnímu měření obsahu metanu, oxidu uhličitého a oxidu dusného.
SHIMADZU Handels GmbH - organizační složka
tag
share
more
 

Mohlo by Vás zajímat

Alcohol Determination of Sanitizer Gel Using Nexis GC-2060

Aplikace
| 2026 | Shimadzu
Instrumentace
GC
Výrobce
Shimadzu
Zaměření
Farmaceutická analýza

Sensitive and Reproducible Determination of Nitrosamines by GC/MSD

Aplikace
| 2026 | Agilent Technologies
Instrumentace
GC/MSD, GC/SQ
Výrobce
Agilent Technologies
Zaměření
Životní prostředí

High-Throughput BTEX Analysis in Nail Products by SPME and GC/TQ

Aplikace
| 2026 | Agilent Technologies
Instrumentace
GC/MSD, GC/MS/MS, GC/QQQ, SPME
Výrobce
Agilent Technologies
Zaměření
Materiálová analýza

Accurate multi-component blast furnace gas analysis maximizes iron production and minimizes coke consumption

Aplikace
| 2026 | Thermo Fisher Scientific
Instrumentace
GC/MSD
Výrobce
Thermo Fisher Scientific
Zaměření
Průmysl a chemie

Gas Chromatograph Nexis GC-2060

Brožury a specifikace
| 2026 | Shimadzu
Instrumentace
GC
Výrobce
Shimadzu
Zaměření
Ostatní
 

Podobné články

Simultánní analýza skleníkových plynů pomocí GC Agilent
Článek | Aplikace

Simultánní analýza skleníkových plynů pomocí GC Agilent

Aplikace popisuje ventilovou konfiguraci GC systémů Agilent 8890 pro kvantifikaci skleníkových plynů jako Oxid uhličitý (CO₂), metan (CH₄) a oxid dusný (N₂O) v atmosféře.
Altium International
tag
share
more
Rychlá analýza skleníkových plynů pomocí plynového chromatografu Shimazdu Nexis GC-2030
Článek | Aplikace

Rychlá analýza skleníkových plynů pomocí plynového chromatografu Shimazdu Nexis GC-2030

Plynový chromatograf Shimadzu GC-2030 je vybaven dvěma kapilárními kolonami, ECD a FID detektorem osazeným Jetanizérem, dvěma 6ti portovými a jedním solenoidový ventilem.
SHIMADZU Handels GmbH - organizační složka
tag
share
more
Kvantitativní analýza CO₂ a CH₄ v atmosféře pomocí Jetanizéru
Článek | Aplikace

Kvantitativní analýza CO₂ a CH₄ v atmosféře pomocí Jetanizéru

Jednoduchá analýza a kvantifikace CO₂ a CH₄ v atmosféře s využitím spojení Jetanizéru s plynovým chromatografem Shimadzu Nexis GC-2030 s FID detektorem.
SHIMADZU Handels GmbH - organizační složka
tag
share
more
GC analyzátor skleníkových plynů
Článek | Aplikace

GC analyzátor skleníkových plynů

Tato aplikace popisuje použití GC analyzátoru skleníkových plynů k simultánnímu měření obsahu metanu, oxidu uhličitého a oxidu dusného.
SHIMADZU Handels GmbH - organizační složka
tag
share
more
 

Mohlo by Vás zajímat

Alcohol Determination of Sanitizer Gel Using Nexis GC-2060

Aplikace
| 2026 | Shimadzu
Instrumentace
GC
Výrobce
Shimadzu
Zaměření
Farmaceutická analýza

Sensitive and Reproducible Determination of Nitrosamines by GC/MSD

Aplikace
| 2026 | Agilent Technologies
Instrumentace
GC/MSD, GC/SQ
Výrobce
Agilent Technologies
Zaměření
Životní prostředí

High-Throughput BTEX Analysis in Nail Products by SPME and GC/TQ

Aplikace
| 2026 | Agilent Technologies
Instrumentace
GC/MSD, GC/MS/MS, GC/QQQ, SPME
Výrobce
Agilent Technologies
Zaměření
Materiálová analýza

Accurate multi-component blast furnace gas analysis maximizes iron production and minimizes coke consumption

Aplikace
| 2026 | Thermo Fisher Scientific
Instrumentace
GC/MSD
Výrobce
Thermo Fisher Scientific
Zaměření
Průmysl a chemie

Gas Chromatograph Nexis GC-2060

Brožury a specifikace
| 2026 | Shimadzu
Instrumentace
GC
Výrobce
Shimadzu
Zaměření
Ostatní
 

Podobné články

Simultánní analýza skleníkových plynů pomocí GC Agilent
Článek | Aplikace

Simultánní analýza skleníkových plynů pomocí GC Agilent

Aplikace popisuje ventilovou konfiguraci GC systémů Agilent 8890 pro kvantifikaci skleníkových plynů jako Oxid uhličitý (CO₂), metan (CH₄) a oxid dusný (N₂O) v atmosféře.
Altium International
tag
share
more
Rychlá analýza skleníkových plynů pomocí plynového chromatografu Shimazdu Nexis GC-2030
Článek | Aplikace

Rychlá analýza skleníkových plynů pomocí plynového chromatografu Shimazdu Nexis GC-2030

Plynový chromatograf Shimadzu GC-2030 je vybaven dvěma kapilárními kolonami, ECD a FID detektorem osazeným Jetanizérem, dvěma 6ti portovými a jedním solenoidový ventilem.
SHIMADZU Handels GmbH - organizační složka
tag
share
more
Kvantitativní analýza CO₂ a CH₄ v atmosféře pomocí Jetanizéru
Článek | Aplikace

Kvantitativní analýza CO₂ a CH₄ v atmosféře pomocí Jetanizéru

Jednoduchá analýza a kvantifikace CO₂ a CH₄ v atmosféře s využitím spojení Jetanizéru s plynovým chromatografem Shimadzu Nexis GC-2030 s FID detektorem.
SHIMADZU Handels GmbH - organizační složka
tag
share
more
GC analyzátor skleníkových plynů
Článek | Aplikace

GC analyzátor skleníkových plynů

Tato aplikace popisuje použití GC analyzátoru skleníkových plynů k simultánnímu měření obsahu metanu, oxidu uhličitého a oxidu dusného.
SHIMADZU Handels GmbH - organizační složka
tag
share
more
 

Mohlo by Vás zajímat

Alcohol Determination of Sanitizer Gel Using Nexis GC-2060

Aplikace
| 2026 | Shimadzu
Instrumentace
GC
Výrobce
Shimadzu
Zaměření
Farmaceutická analýza

Sensitive and Reproducible Determination of Nitrosamines by GC/MSD

Aplikace
| 2026 | Agilent Technologies
Instrumentace
GC/MSD, GC/SQ
Výrobce
Agilent Technologies
Zaměření
Životní prostředí

High-Throughput BTEX Analysis in Nail Products by SPME and GC/TQ

Aplikace
| 2026 | Agilent Technologies
Instrumentace
GC/MSD, GC/MS/MS, GC/QQQ, SPME
Výrobce
Agilent Technologies
Zaměření
Materiálová analýza

Accurate multi-component blast furnace gas analysis maximizes iron production and minimizes coke consumption

Aplikace
| 2026 | Thermo Fisher Scientific
Instrumentace
GC/MSD
Výrobce
Thermo Fisher Scientific
Zaměření
Průmysl a chemie

Gas Chromatograph Nexis GC-2060

Brožury a specifikace
| 2026 | Shimadzu
Instrumentace
GC
Výrobce
Shimadzu
Zaměření
Ostatní
 

Podobné články

Simultánní analýza skleníkových plynů pomocí GC Agilent
Článek | Aplikace

Simultánní analýza skleníkových plynů pomocí GC Agilent

Aplikace popisuje ventilovou konfiguraci GC systémů Agilent 8890 pro kvantifikaci skleníkových plynů jako Oxid uhličitý (CO₂), metan (CH₄) a oxid dusný (N₂O) v atmosféře.
Altium International
tag
share
more
Rychlá analýza skleníkových plynů pomocí plynového chromatografu Shimazdu Nexis GC-2030
Článek | Aplikace

Rychlá analýza skleníkových plynů pomocí plynového chromatografu Shimazdu Nexis GC-2030

Plynový chromatograf Shimadzu GC-2030 je vybaven dvěma kapilárními kolonami, ECD a FID detektorem osazeným Jetanizérem, dvěma 6ti portovými a jedním solenoidový ventilem.
SHIMADZU Handels GmbH - organizační složka
tag
share
more
Kvantitativní analýza CO₂ a CH₄ v atmosféře pomocí Jetanizéru
Článek | Aplikace

Kvantitativní analýza CO₂ a CH₄ v atmosféře pomocí Jetanizéru

Jednoduchá analýza a kvantifikace CO₂ a CH₄ v atmosféře s využitím spojení Jetanizéru s plynovým chromatografem Shimadzu Nexis GC-2030 s FID detektorem.
SHIMADZU Handels GmbH - organizační složka
tag
share
more
GC analyzátor skleníkových plynů
Článek | Aplikace

GC analyzátor skleníkových plynů

Tato aplikace popisuje použití GC analyzátoru skleníkových plynů k simultánnímu měření obsahu metanu, oxidu uhličitého a oxidu dusného.
SHIMADZU Handels GmbH - organizační složka
tag
share
more
Další projekty
LCMS
ICPMS
Sledujte nás
FacebookX (Twitter)LinkedInYouTube
Další informace
WebinářeO násKontaktujte násPodmínky užití
LabRulez s.r.o. Všechna práva vyhrazena. Obsah dostupný pod licencí CC BY-SA 4.0 Uveďte původ-Zachovejte licenci.